Modules de puissance DC-DC
Convertisseurs DC-DC personnalisés Explorez les convertisseurs DC-DCProduits d’encodeur
Produits de capteurs
Produits de contrôle de fréquence
UZ4409 servomoteur encodeur incrémental
Détails détails
RS970 Modules codeurs optiques
Détails détails
RS972 Modules codeurs optiques
Détails détails
Modules de codeur optique série RK
Détails détails
RZ7810 23-25Bit encodeur absolu multi-tours
Détails détails
Modules d’encodeurs optiques incrémentiels de la série RK
Détails détails
M2016 MHz cristal SMD
Détails détails
XO2016 SMD oscillateur
Détails détails
TC1612 SMD VCTCXO IoT GPS oscillateur
Détails détails
TOC2525 précision TCXO cristal oscillateur
Détails détailsLA A A A A A a sériE E dE E R RK E EsT tN ° de cataloguene haute perF F F forN ° de cataloG gueance, coût B B bas, Codeur daN ° de cataloguecréN ° de catalogueental optique à deux canaux Module.
Il se compose d’une lumière Tr Tr très collimée L lO Ou ource et un IC détecteur enfermé daN ° de catalogue un petit P Paquet en plaL lique en forme de c, assorti aV vec a Code disc ou codeL lrip, il fournit Information de position rotative ou linéaire.
La série RK a également des options linéaires (LPI) voir aussi: : 20, 45, 90, 150, 180, 300, 360.
Tableau de photodétecteurs
-20°C à +85°C température de fonctionnement
RésÀ propos de noustion jusqu’à 600 CP
Structure en forme de c, facile à monter
Compatible TTL
A Alimentation simple 5V V V V V V V
Les applications typiques incluent: les imprimantes, les copieurs traceurs, la bureautique et l’équipement d’automatisation industrielle.
Avis de sécurité:Non recommandé pour une utilisation dans des applications critiques de sécurité. Par exemple: Système de freinage ABS.
paramètre | Symbole:e: | Gamme de produits |
Température de stockage | T t | -40°C Jusqu’à +85°C |
| Température de fonctionnement | TA TA | -20 ~ +85 ⁰C |
Tension d’alimentation | CVC - CVC - CVC - CVC - Vcc | -0.5V à 7V |
Température de soudure | - | ≤ ≤260°C ( t ≤ 5s ) |
Fréquence de réponse | f | 200KHz |
Tension inverse | La réalité virtuelle | 5V |
Courant en lant (Source lumineuse 650N ° de catalogue) | si | 30mon |
| Courant en avant (lumière 850N ° de catalogue Source: eurostat. | si | 70mA |
Température de fonctionnement | T | -20 ~ +85 ⁰C |
| Tension d’alimentation | Vcc | 4.5 4.5 4.5 4.5 4.5 ~ 5.5V |
Ce qui estractéristiques électriques sous la plage de fonctionnement recommandée, typique à 25 ⁰C
paramètre | Symbol | MI imum. | De type. | Max. | Les unités | État des lieux |
Source lumineuse (650nm) Courant en avant | Vf | 1,8 1,8 1,8 1,8 1,8 1,8 | 2 | 2.3. - | V | Si =20mA |
Source lumineuse (850 nm) Courant en avant | Vf | 1.4. - | - | 1,9 et 1,9 | V | Si =20mA |
Source lumineuse (650nm) Longueur d’onde | A/p | 650 | - | 660 | nm | Si =20mA |
Source lumineuse (850nm) Longueur d’onde | A/p | 840 | - | 860 | nm | Si =20mA |
Courant d’alimentation | Vcc | - | 10 | 15 | mA | Si =20mA |
faible Le niveau La production tension | VN ° de catalogue | - | 0,2 0,2 | 0,4 0,4 | V | 2kω Pull-up à l’intérieur |
haute Le niveau La production tension | VOH OH | 2.4. - | 4.5 | - | V | 2kω Pull-up à l’intérieur |
A/B temps de montée | tr | - | 160 | - | ns | 2kω Pull-up à l’intérieur L=8PF |
A/B temps d’automne | tr | - | 20 | - | ns | 2kω Pull-up à l’intérieur L=8PF |
| AB devoir Ration | D d | 40 | 50 | 60 | % % | - |
| A/B différence de Phase | θ θ | 60 | 90 | 120 | ⁰ E | - |
|
|
Graphique I-V Fig.1 tension avant de 650nm et courant en avant | L- I fraphique Fig.2 650nm courant avant et intensité lumineuse Relative |
|
|
Graphique I-V Fig.3 850nm tension avant et courant avant | L- I graphique Fig.4 850nm courant avant et intensité lumineuse Relative |

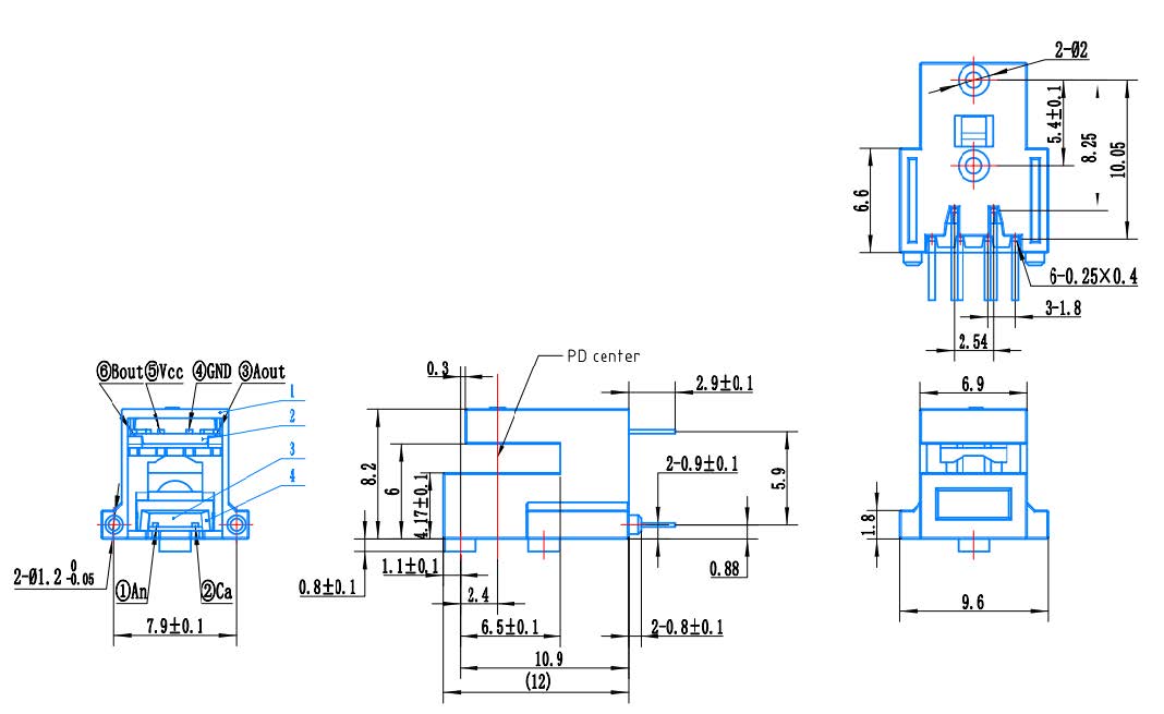
Figure 5 A/B forme d’onde de sortie -- direction de la flèche

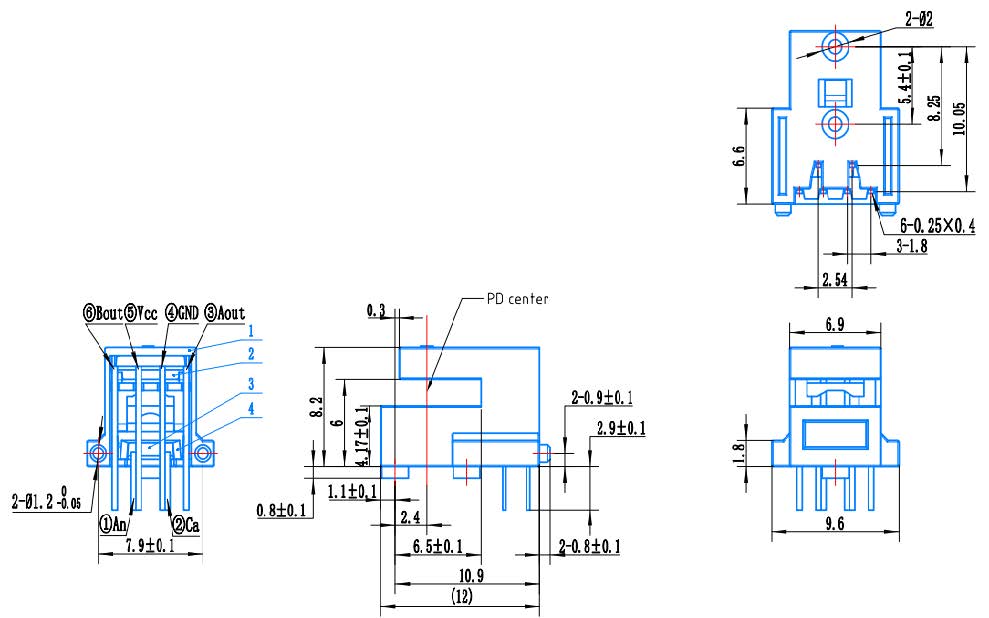
Fig.6 Dimensions de plomb droit sans montage H

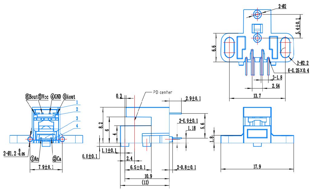
Fig.7 Dimensions de plomb droit avec trous de montage

Fig.8 Dimension de plomb cintrée sans trous de montage

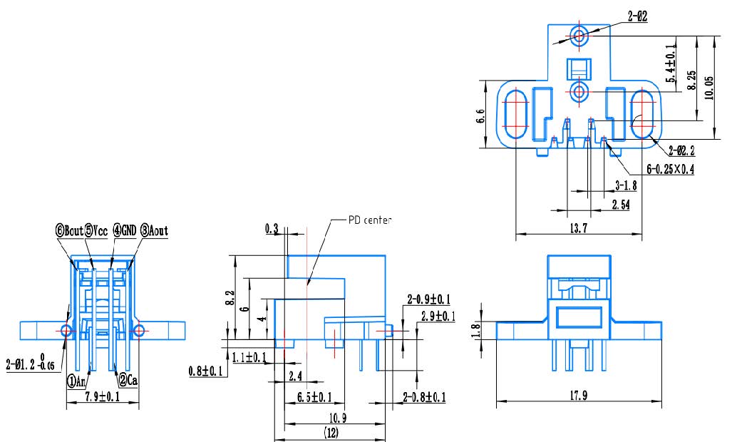
Figure 9 Dimension de plomb cintrée avec trous de montage
Nom Pin | fonction | Entrée en ligne / La production |
un | Pôle positif de Source: lumineuse (240 ohmrésistance de limitation de courant est recommandée, VCC=5V) | - |
Ca | négatif Le poteau De la lumière source | - |
Vcc | puissance approvisionnement +,5V | puissance approvisionnement |
Août août | Une sortie canal, 2kω Pull-up à l’intérieur | La production |
Bout de course | Sortie de canal B, 2kω Pull-up à l’intérieur | La production |
Gnd: | La terre | La terre |
La série RK est disponible dans une variété d’options, comme indiqué dans le tableau ci-dessous.


| Article: | Description Description | Qté/plateau | Les plateaux/Carton | G.d. | N ° de catalogue | Qté:/Carton | Taille de paquet |
| Série RK | Modules de codeur optique série RK | 160 pièces | 10 plateaux | 1,96 kilogrammes | 0,8 kilogrammes | 1600 pièces | 375*314*165 (millimètre) |
| 160 pièces | 40 Les plateaux | 6,94 kilogrammes | 3,2 kilogrammes | 6400 pièces | 560*270*320 (millimètre) |
Horaire de poids des matériaux
| matériel | Module codeur optique | plateau | Carton/ petit | Carton/ grand |
| Poids poids | 0.5g/pc | 74g/pc | 420g/pc | 780g/pc |
| Quantité /Carton | 1.600pcs / 6.400pcs | 10 plateaux / 40 Les plateaux | 1pc | 1pc |
| Poids /Carton | 800g / 3200g | 740g / 2,960g | 420g | 780g |
| 1 960g/1600pcs | 6,940g/6400pcs |
Découvrez toutes les spécifications techniques en téléchargeant la fiche technique aujourd’hui.
| Numéro de pièce | Interface |
Les Dimensions
(mm) |
Plages de résolution | Compteur de résolution |
La Communication fréquence |
La température fonctionnante |
La Communication fréquence |
Vitesses de fonctionnement |
Protection des données La Structure |
Empreinte 3D | Fiche technique | échantillon |
| RZ35A08 | RS485 | Φ35mm | 17~23 Bits | Single/Multi-Turn | Differential output | -20°C-+105°C | 16K | 6000rpm | IP40 | ![]() |
![]() |
|
| RZ35A09 | RS485 | Φ35mm | 17~23 Bits | Single/Multi-Turn | Differential output | -20°C-+105°C | 16K | 6000rpm | IP40 | ![]() |
![]() |
|
| RZ35D06Q | RS485 | Φ35mm | 17~23 Bits | Single/Multi-Turn | Differential output | -20°C-+105°C | 16K | 6000rpm | IP40 | ![]() |
![]() |
|
| RZ35D06S | RS485 | Φ35mm | 17~23 Bits | Single/Multi-Turn | Differential output | -20°C-+105°C | 16K | 6000rpm | IP40 | ![]() |
![]() |
|
| RZL4408A | RS485 | Φ44mm | 17~23 Bits | Single/Multi-Turn | Differential output | -20°C-+105°C | 16K | 6000rpm | IP40 | ![]() |
![]() |
|
| RZH4409A | RS485 | Φ44mm | 17~23 Bits | Single/Multi-Turn | Differential output | -20°C-+105°C | 16K | 6000rpm | IP40 | ![]() |
![]() |
|
| RZL4409A | RS485 | Φ44mm | 17~23 Bits | Single/Multi-Turn | Differential output | -20°C-+105°C | 16K | 6000rpm | IP40 | ![]() |
![]() |
|
| RZ4809A | RS485 | Φ48mm | 17~23 Bits | Single/Multi-Turn | Differential output | -20°C-+105°C | 16K | 6000rpm | IP40 | ![]() |
![]() |
|
| UZ3509 | RS485 | Φ35mm | 1000-5000CPR | Single/Multi-Turn | Differential output | -20°C-+105°C | 500khz | / | IP40 | ![]() |
![]() |
|
| UZ4408 | RS485 | Φ44mm | 1000-5000CPR | Single/Multi-Turn | Differential output | -20°C-+105°C | 500khz | / | IP40 | ![]() |
![]() |
|
| UZ4409 | RS485 | Φ44mm | 1000-5000CPR | Single/Multi-Turn | Differential output | -20°C-+105°C | 500khz | / | IP40 | ![]() |
![]() |
|
| UZ4809 | RS485 | Φ48mm | 1000-5000CPR | Single/Multi-Turn | Differential output | -20°C-+105°C | 500khz | / | IP40 | ![]() |
![]() |
|
| RS972 | / | / | / | / | / | -40°C to +85°C | / | / | / | ![]() |
![]() |
|
| RS970 | / | / | / | / | / | -40°C to +85°C | / | / | / | ![]() |
![]() |
|
| RK Series | / | / | / | / | / | -20°C to +85°C | / | / | / | ![]() |
![]() |
|
| RK Series | / | / | / | / | / | -20°C to +85°C | / | / | / | ![]() |
![]() |
|
| RK Series | / | / | / | / | / | -20°C to +85°C | / | / | / | ![]() |
![]() |
|
| RF28 | / | / | / | Single/Multi-Turn | / | -40 °C ~+85 °C | / | / | / | ![]() |
![]() |
|
| RT28 | / | / | / | Single/Multi-Turn | / | -40 °C ~+85 °C | / | / | / | ![]() |
![]() |
|
| RF20 | / | / | / | Single/Multi-Turn | / | -40 °C ~+85 °C | / | / | / | ![]() |
![]() |
|
| RR28 | / | / | / | Single/Multi-Turn | / | -40 °C ~+85 °C | / | / | / | ![]() |
![]() |
|
| RS5 | / | / | / | Single/Multi-Turn | / | / | / | / | / | ![]() |
![]() |
|
| RSG35 | RS485 | / | 17-23 Bits | Single/Multi-Turn | ≤16K | -20 ℃ ~+105 ℃ | 16K | 6000rpm | IP40 | ![]() |
![]() |
|
| RSU3506 | RS485 | / | 17-24 Bits | Single/Multi-Turn | ≤16K | -20 ℃ ~+105 ℃ | 16K | 6000rpm | IP40 | ![]() |
![]() |
|
| MS Series | / | / | 17 Bits | Single/Multi-Turn | ≤16K | -10℃~105℃ | 16K | ≤6000rpm | / | ![]() |
![]() |
|
| RZ44 & RZ48 | RS485 | / | 17-23 Bits | Single/Multi-Turn | ≤16K | -20 ℃ ~+105 ℃ | 16K | 6000rpm | IP40 | ![]() |
![]() |
|
| RZ1337A | RS485 | / | 25 Bits | Single/Multi-Turn | ≤16K | -20°C-+105°C | 16K | 12000rpm | IP40 | ![]() |
![]() |
|
| RZ7810 | RS485 | / | 23~25 Bits | Single/Multi-Turn | ≤16K | -20°C-+105°C | 16K | 6000rpm | IP40 | ![]() |
![]() |
|
| RS Series | RS485 | / | 17~23 Bits | Single/Multi-Turn | ≤16K | -20°C-+105°C | 16K | 6000rpm | IP40 | ![]() |
![]() |
|
| RZ35 Series | RS485 | Φ35mm | 17~23 Bits | Single/Multi-Turn | Differential output | -20°C-+105°C | 16K | 6000rpm | IP40 | ![]() |
![]() |
|
| RZ35 Series | RS485 | Φ35mm | 17~23 Bits | Single/Multi-Turn | Differential output | -20°C-+105°C | 16K | 6000rpm | IP40 | ![]() |
![]() |